Abwicklung von räumlichen KörpernProfessionelle Blechbearbeitung - präzise und flexibel
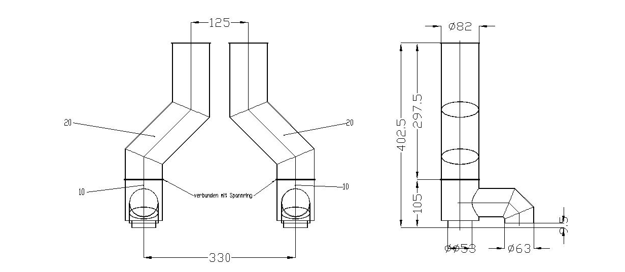
Wir erstellen Abwicklungen im DXF-Datenformat für Ihre CAD-Anlage oder Brennschneidmaschine.
Wir erstellen Abwicklungen im DXF-Datenformat für Ihre CAD-Anlage oder Brennschneidmaschine.